Jak działa układ stałoprądowy DCDC w precyzyjnej regulacji mocy?

2025-12-19 - Zostaw mi wiadomość

Streszczenie artykułu

A Układ stałoprądowy DCDCto podstawowy element nowoczesnych systemów zarządzania energią, zaprojektowany w celu zapewnienia stabilnego i kontrolowanego prądu wyjściowego niezależnie od obciążenia i zmian napięcia wejściowego. Artykuł ten zawiera kompleksowy przegląd techniczny działania układów stałoprądowych DCDC, bada kluczowe parametry elektryczne, bada rzeczywiste scenariusze zastosowań i odpowiada na często zadawane pytania techniczne. Treść jest ułożona tak, aby wspierać podejmowanie decyzji inżynierskich, wybór komponentów i długoterminową optymalizację systemu, przy jednoczesnym dostosowaniu się do bieżących zachowań związanych z wyszukiwaniem i nawyków związanych z profesjonalnym czytaniem.

AS6911SGA


Spis treści


Zarys treści

  • Podstawowe zasady działania i architektura wewnętrzna
  • Szczegółowe wyjaśnienie parametrów elektrycznych i termicznych
  • Zastosowania przemysłowe, motoryzacyjne i elektroniki użytkowej
  • Często zadawane pytania techniczne dotyczące typowych wyzwań inżynieryjnych
  • Przyszłe trendy rozwojowe i integracja na poziomie systemowym

1. Jak zaprojektowano układ stałoprądowy DCDC do regulacji prądu?

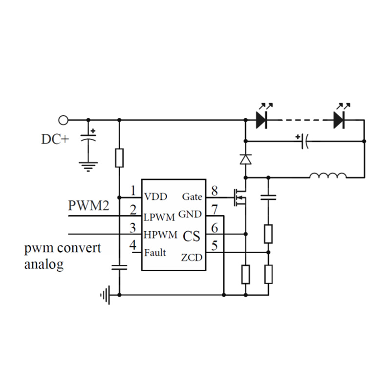
Układ stałoprądowy DCDC to układ scalony do zarządzania mocą w trybie przełączania, który utrzymuje stały prąd wyjściowy poprzez dynamiczną regulację współczynnika wypełnienia, częstotliwości przełączania i pętli sterowania ze sprzężeniem zwrotnym. W przeciwieństwie do regulatorów stałego napięcia, główną zmienną sterującą jest prąd, a nie napięcie, co sprawia, że ​​tego typu chipy są niezbędne w przypadku takich obciążeń, jak diody LED, diody laserowe, obwody ładowania akumulatorów i czujniki precyzyjne.

Wewnętrznie chip integruje szybki wzmacniacz błędu, komparator pomiaru prądu, źródło napięcia odniesienia i sterownik MOSFET mocy. Prąd przepływający przez obciążenie jest próbkowany poprzez wewnętrzny lub zewnętrzny rezystor wykrywający. Ten wykryty sygnał jest porównywany z progiem odniesienia, a logika sterowania dostosowuje zachowanie przełączania, aby skompensować zmiany linii lub obciążenia.

Głównym celem projektu jest stabilność prądu w zmiennych warunkach wejściowych. Działając w topologiach buck, boost lub buck-boost, układ stałoprądowy DCDC może obsługiwać szerokie zakresy napięcia wejściowego, zachowując jednocześnie wydajność i bezpieczeństwo termiczne.


2. Jak kluczowe parametry definiują wydajność układu stałoprądowego DCDC?

Wybór odpowiedniego układu stałoprądowego DCDC wymaga dokładnej oceny jego właściwości elektrycznych, termicznych i sterujących. Parametry te bezpośrednio wpływają na niezawodność, wydajność i zgodność systemu z normami regulacyjnymi.

Parametr Typowy zasięg Znaczenie techniczne
Zakres napięcia wejściowego 3 V – 60 V Określa kompatybilność z zestawami akumulatorów, adapterami lub autobusami przemysłowymi
Dokładność prądu wyjściowego ±1% do ±5% Określa dokładność regulacji prądu pod obciążeniem dynamicznym
Częstotliwość przełączania 100 kHz – 2 MHz Wpływa na wydajność, wydajność EMI i rozmiar elementu pasywnego
Efektywność 85% – 98% Bezpośrednio wpływa na rozpraszanie ciepła i straty mocy
Ochrona termiczna 150°C – 170°C Wyłączenie Zapobiega awariom urządzenia w wyniku przeciążenia lub niedostatecznego chłodzenia

Zaawansowane urządzenia integrują również funkcje, takie jak sterowanie łagodnym startem, interfejsy ściemniania PWM, analogowa regulacja prądu i diagnostyka usterek. Możliwości te upraszczają projektowanie na poziomie systemu i zmniejszają potrzebę stosowania zewnętrznych obwodów.


Układ stałoprądowy DCDC – częste pytania i odpowiedzi

P: W jaki sposób układ stałoprądowy DCDC utrzymuje stabilną moc wyjściową, gdy napięcie wejściowe ulega wahaniom?

Odp.: Układ stale monitoruje prąd obciążenia poprzez pętlę sprzężenia zwrotnego i dostosowuje cykl pracy przełączania w czasie rzeczywistym, kompensując wszelkie zmiany napięcia wejściowego bez zmiany poziomu regulowanego prądu.

P: W jaki sposób zarządza się ciepłem w wysokoprądowych układach stałoprądowych DCDC?

Odp.: Ciepło jest zarządzane poprzez wysokowydajne topologie przełączania, niski współczynnik RDS(wł.)Tranzystory MOSFET, obwody wyłączania termicznego i zoptymalizowane układy PCB, które poprawiają odprowadzanie ciepła.

P: Czym układ stałoprądowy różni się od regulatora stałonapięciowego w projektowaniu systemu?

Odp.: Układ stałoprądowy stawia na dokładność prądu, a nie stabilność napięcia, dzięki czemu nadaje się do obciążeń wrażliwych na prąd, gdzie napięcie może się zmieniać w zależności od warunków pracy.


3. W jaki sposób chip stałoprądowy DCDC jest stosowany w różnych branżach?

Chipy stałoprądowe DCDC są szeroko stosowane w wielu gałęziach przemysłu ze względu na ich elastyczność i wydajność. W systemach oświetlenia półprzewodnikowego zapewniają równomierną jasność i wydłużają żywotność diod LED. W elektronice samochodowej obsługują oświetlenie adaptacyjne, zestawy wskaźników i podsystemy zarządzania akumulatorem.

Systemy automatyki przemysłowej wykorzystują te chipy do sterowania czujnikami, siłownikami i komponentami optycznymi, które wymagają przewidywalnego zachowania prądu. Urządzenia medyczne opierają się na regulacji prądu stałego, aby zagwarantować dokładność sygnału i bezpieczeństwo pacjenta. Elektronika użytkowa zyskuje na kompaktowej integracji i niskim zużyciu energii, szczególnie w urządzeniach przenośnych.

Każdy scenariusz zastosowania narzuca unikalne wymagania elektryczne i środowiskowe, co zwiększa znaczenie wyboru chipa z odpowiednimi funkcjami zabezpieczającymi i interfejsami sterującymi.


4. Jak będzie ewoluować technologia chipów stałoprądowych DCDC?

Ewolucja technologii chipów stałoprądowych DCDC jest napędzana rosnącym zapotrzebowaniem na wyższą wydajność, szerszą tolerancję napięcia wejściowego i inteligentne sterowanie. Przyszłe projekty kładą nacisk na cyfrowe pętle sterowania, adaptacyjne skalowanie prądu i ściślejszą integrację z mikrokontrolerami i interfejsami komunikacyjnymi.

Materiały półprzewodnikowe o szerokiej przerwie energetycznej, takie jak GaN i SiC, wpływają na architektury nowej generacji, umożliwiając wyższe częstotliwości przełączania i zmniejszone straty przewodzenia. Ponadto integracja typu system-on-chip zmniejsza zajmowaną powierzchnię, jednocześnie zwiększając niezawodność.

W miarę jak systemy zasilania stają się coraz bardziej rozproszone i inteligentne, regulacja prądu stałego pozostanie podstawową możliwością wspierającą efektywność energetyczną i optymalizację wydajności.


Shenzhen Cokintech Co., Ltd.koncentruje się na rozwoju i dostawie wysokowydajnych rozwiązań DCDC Constant Current Chip dostosowanych do zastosowań przemysłowych, motoryzacyjnych i zaawansowanej elektroniki. Dzięki ciągłemu udoskonalaniu inżynierii i produkcji zorientowanej na jakość firma wspiera stabilne i skalowalne projekty zarządzania energią.

Prosimy o konsultacje techniczne, dostosowanie parametrów lub zalecenia dotyczące konkretnych zastosowańskontaktuj się z namiw celu omówienia wymagań projektu i możliwości długoterminowej współpracy.

Wyślij zapytanie

X
Używamy plików cookie, aby zapewnić lepszą jakość przeglądania, analizować ruch w witrynie i personalizować zawartość. Korzystając z tej witryny, wyrażasz zgodę na używanie przez nas plików cookie. Polityka prywatności